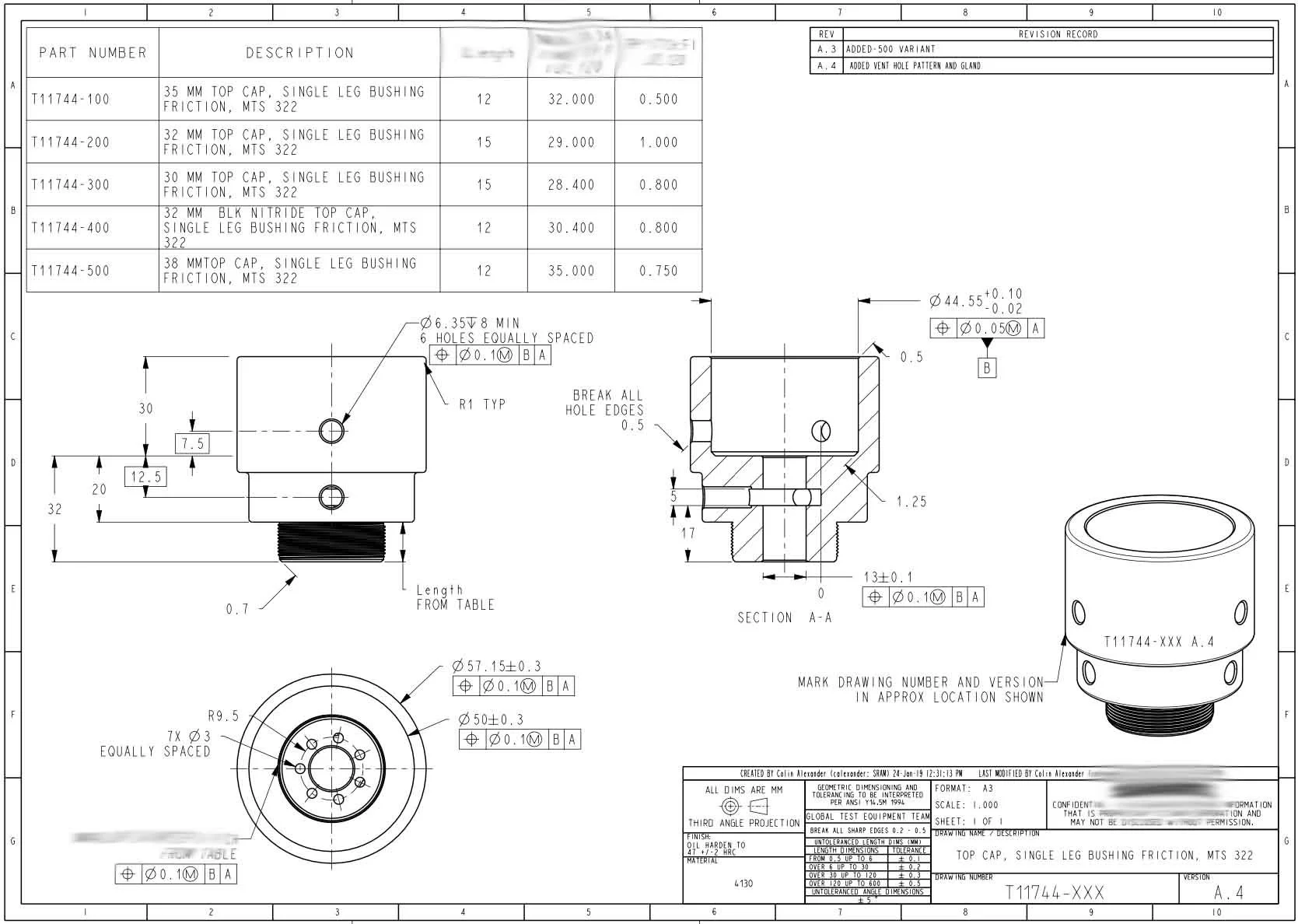
Solving complex problems with elegantly simple solutions that people didn’t know they needed has to be the the most satisfying thing about my career. This is a small collection of those solutions.