LeMond Revolution Track Hack

My boss and friend asked if I had some time to help him solve a problem. His track racing teammates and he owned some LeMond Revolution stationary trainers and they loved them. They can handle a lot of power and have a more accurate power curve from a standstill, something very important to a track racer. However, they were limited in what bicycle frames they could mount. None of the frames used in track racing had the same hub spacing as their road counterparts, which the Revolution was based around. Additionally, track bikes are a fixed gear and the freewheeling road components on the Revolution were not able to replicate the backdrive feel of a fixed gear bike. My boss wanted something that could allow them to change their Revolutions from “road” to “track” with minimal effort, and to last a lifetime while enduring the power of professional cyclists. LeMond had made something to fill this void, but it was never made in quantity, heavy, and most importantly: no longer produced.

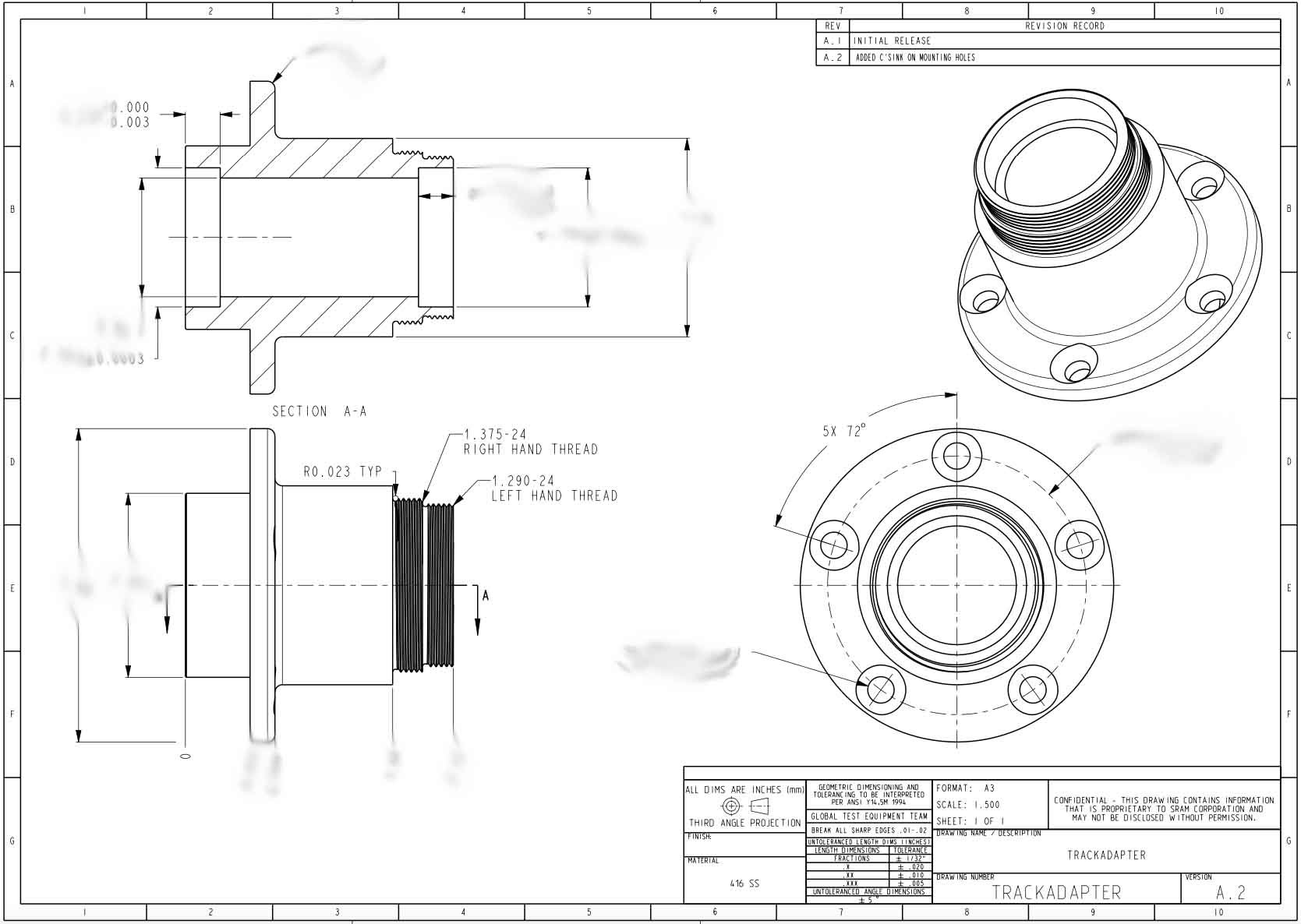
I decided to have a look at it and see what I could do. Nobody had an original one for me to measure. There were no models or drawings to reference; this would be a reverse engineering job before I could design anything. I opened up CREO and started a new project.

After analyzing loads, thread standards, frame standards and the level of quality needed, I selected bearings and materials, and turned a prototype loose to my favorite short run machinist.

Once the first prototype made it to the track, we knew we were on to something. My boss opened up the order banks and everyone who had a Revolution was begging to get in on our queue. We released a production run to my machinist and patiently waited for our shining parts to come in. We were ready once they arrived, armed with grease, bearings, bolts, and all the rest required to convert a Revolution to the ultimate track bike trainer. One evening after work was dedicated to assembly and packing, and they were on their way to their new homes, ready to live a life of endless power delivery.